|  | | SHELBY MK4 COBRA - ROVER - MG - JAGUAR - MİNİ - LAND & RANGE ROVER | | Kullanıcıların Sitesi: WhatsApp:0554-364 4420
|
|
|
|
|
Parça Resimleri & Teknik Kılavuzlar |
|
|
|
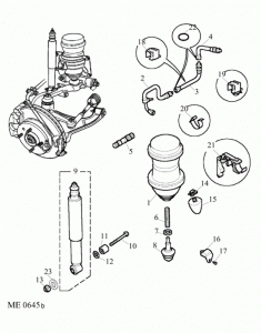
MGF Ön süspansiyon 2016/12/16 13:37:09 |
|
|
|
|
|
|
|
|
| |
|
| |
| | E-posta: tanzer@otecomega.com Bu sitede sizlere faydalı olabilecek bilgiler mutlaka vardır |
|